y3leee@gmail.com

+82 31 404 5531

특장점

SAVE 사이드 그립 파일 드라이버는 안전하고 빠르며 경제적입니다.
파일길이에 관계없이 사이드그립으로 파일을 잡고 기울기를 조정하여 원하는 위치에 작업을 할 수 있습니다.

    • 장비 개조없이 장파일 작업가능

    • 교량하부 등의 좁은 공간에서 작업 가능

    • 쉬트파일, H-BEAM, 강관파일, 우드파일의 작업이 가능

    • 굴삭기의 유압라인을 활용하여 작동되므로 별도의 동력원이 필요하지않음

    • 좌, 우 회전 및 틸트기능으로 원하는 작업 가능

TOOL EXCHANGE

    • Sheet pile , H-beam 또는 Tube 작업에 적합

    • 1번 : Tube 작업용 Tool

    • 2번 : Sheet pile 작업용 Tool

    • 용이성 : 작업용도에 따라 Tool 교환이 간편함

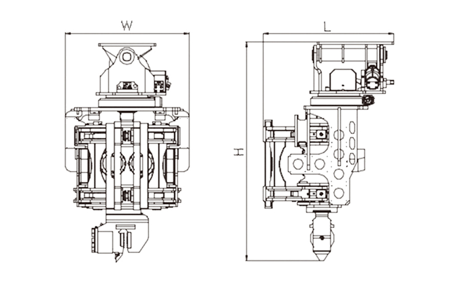
SPECIFICATION & DIMENSION

SELECTION GUIDE

Pile size Excavator size
length(M) weight(kg) 20~32 33~48
6 2,800 SVSH35
12 1,900
16 1,300
8 2,300 SVSH30
12 1,800
16 1,200

Type and dimensions

Sheet piles width 400 ~ 1200 mm
depth 270 mm
H-beam size H125 ~ H500
Tube size 220 ~ 500 mm
MODEL Unit SVSH30 SVSH35
Eccentric Moment kg.m 6 10
in.lbs 476 680
Centrifugal Force kN 640 1,000
Amplitude mm 8 12
Inch 0.31 0.47
Max. Frequency rpm 2,700 2,700
Oil Flow ℓ/m 170 ~ 210 180 ~ 240
Clamping Force(200bar) ton 40 44
Hydraulic Pressure bar 200~250 250~300
psi 2,900 ~ 3,600 3,600 ~ 4,350
Slewing / Tilt Angle degree 360 / 35 360 / 35
DIMENSION Height(H) mm 2,120 2,250
inch 83 88
Length(L) mm 1,180 1,230
inch 46 48
Width(W) mm 1,200 1,280
inch 47 50
Weight(excl. mount) kg 2,400 2,850
Application Excavator ton 20~32 33~48

현장영상

현장사진

Comments are closed.